单选

两根圆轴,外径相同,轴1是实心的,轴2是空心的,当两轴承受相同扭矩时,关于两轴最大剪应力的正确说法是:

  • A.相等
  • B.轴1大
  • C.轴2大
  • D.不可确定
参考答案
您可能感兴趣的试题

下列各种说法中不正确的是哪种?

  • A.硅橡胶是含有硅原子的特种合成橡胶的总称
  • B.含有-0H官能团的有机物能发生氧化反应和消去反应
  • C.含有苯环结构的化合物属于芳香族化合物,所以萘也属于芳香族化合物
  • D.甲烷与氯在日光或加热条件下,可以发生氧化反应

曲线y=χ3(χ-4)既单增又向上凹的区间为:

  • A.(-∞,0)   
  • B.(0,+∞)   
  • C.(2,+∞)
  • D.(3,+∞)

  • A.两条相交的直线   
  • B.两条异面直线
  • C.两条平行但不重合的直线   
  • D.两条重合的直线

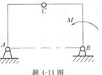
图示结构受一逆时针转向的力偶作用,自重不计,铰支座B的反力FB的作用势应该是:

  • A.FB沿水平线
  • B.FB沿铅直线
  • C.FB沿B、C连线
  • D.FB平行于A、C连线    
¥

订单号:

遇到问题请联系在线客服

订单号:

遇到问题请联系在线客服