2011年资产评估师《建筑工程评估》模拟试题(2):本套试卷总分:100分;共有3大题;测试时间:100分钟
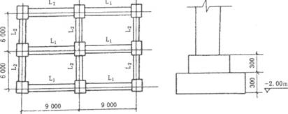
第 45 题 某四层钢筋混凝土现浇框架办公楼,下图为其平面结构示意图和独立柱基础断面图已知楼层高均为3.60m,屋顶楼板标高为l4.40m,且柱顶标高与之相同,柱断面为400 ×400,主梁L。断面300×600,次梁L2断面300×400。
要求:计算主体结构柱、梁工程量。
第 44 题 某砖混结构住宅建筑面积为4 000平方米,其工程特征与在同一地区的概算指标中表8—1、表8—2的内容基本相同。试根据概算指标,编制土建工程概算。
第 42 题 背景材料:拟建某写字楼,两年后建成交付使用,资金来源为自有,营业期l0年,出租率为l00%。基本数据如下:
①固定资产投资45 000万元(第一年投入25 000万元,第二年投入20 000万元,均为自有资金投入);②第三年注入流动资金5 000万元(为自有资金投入);③预测年营业收入20 000万元;④预计年税金及附加比率为17.5%;⑤预计年经营成本为营业收入的10%;
⑥年所得税税率为25%;⑦回收固定资产余值5 000万元。
要求:请编制该项目全部投资现金流量表,并计算该项目所得税后的投资回收期。
第 43 题 某多层砖混结构基础平面及断面图如图6—2所示,砖基为一步大放脚,钢筋混凝土带型基础外墙基底宽1 200mm,内墙基底宽为1 000mm。
求:
(1)砖基础工程量:
(2)钢筋混凝土带型基础及垫层工程量。
第 40 题 水塔基础的型式与水塔的容量、塔身结构和地基承载力有关。常见的型式有( )。
第 41 题 试计算图6—4所示某工程现浇YL一1矩形单梁(C30)的钢筋工程量(净用量)。
YL一1由4个编号的钢筋组成,按其形状可分为直筋、弯起钢筋(弯起角度为45°)和箍筋
三种,均为I级(HPP235)钢筋。其中①号、②号、③号钢筋两端有半圆弯钩。
第 38 题 按照《中华人民共和国土地管理法》的规定,( )都必须依据和符合土地利用总体规划。
第 39 题 建设工程要进行多次性计价,各个计价文件之间的关系是( )。
第 37 题 矿渣硅酸盐水泥与硅酸盐水泥相比,其特征有( )。
第 35 题 建筑装饰是设置于建筑主体表面的修饰面层,它起着( )的作用。
相关试卷
2017年资产评估师《资产评估基础》
2018年资产评估师《资产评估基础》
2005年资产评估师考试《建筑工程评
2005年资产评估师《机电设备评估基
2008年资产评估师考试建筑工程评估
2008资产评估师考试建筑工程评估基
注册资产评估师机电设备评估基础模拟试
注册资产评估师建筑工程评估基础模拟试