- A.1.0m
- B.0.75m
- C.0.5m
- D.1.3m
- A.0<λ<1
- B.λ=1
- C.λ=0
- D.λ≥1
- A.460.69kN
- B.447.27kN
- C.594.91kN
- D.345.96kN
- A.40.781kN
- B.163.125kN
- C.2265.31kN
- D.81.563kN
- A.409.5kN·m
- B.364kN·m
- C.390.019kN·m
- D.993.92kN·m
- A.64.62cm<SUP>2</SUP>
- B.53.23cm<SUP>2</SUP>
- C.47.47cm<SUP>2</SUP>
- D.71.88cm<SUP>2</SUP>
- A.0.203 35
- B.0
- C.0.435 9
- D.0.300 15
- A.591.328kN·m
- B.2365.313kN·m
- C.40.781kN·m
- D.1182.65kN·m
- A.2层楼面,即标高5.400处
- B.3层楼面,即标高9.000处
- C.4层楼面,即标高12.600处
- D.5层楼面,即标高16.200处
- A.高度不大于150m的框架结构
- B.高度为180m的剪力墙结构
- C.高度为160m的框架核心筒结构
- D.高度为175m的筒中筒结构
- A.1 019 025 000
- B.1 637 718 750
- C.1 965 262 500
- D.2 358 315 000
- A.0.195
- B.0.212
- C.0.228
- D.0.244
- A.194
- B.200
- C.206
- D.212
- A.161
- B.171
- C.186
- D.217
- A.-74.4
- B.-79.44
- C.-89.5
- D.-76.9
- A.345
- B.360
- C.414
- D.483
- A.-74.4
- B.-79.44
- C.-89.5
- D.-76.9
- A.70.99
- B.62.58
- C.69.19
- D.77.35
- A.20 000×2%=400kN
- B.20 000×20%/8=500kN
- C.400kN再加上竖向荷载下的该柱剪力
- D.由竖向与地震作用组合计算所得剪力设计值乘以1.25调整系数
- A.70
- B.470
- C.120
- D.160
- A.6×10<SUP>-3</SUP>m<SUP>4</SUP>
- B.7×10<SUP>-3</SUP>m<SUP>4</SUP>
- C.8×10<SUP>-3</SUP>m<SUP>4</SUP>
- D.9×10<SUP>-3</SUP>m<SUP>4</SUP>
- A.0.66
- B.0.7
- C.0.82
- D.0.84
- A.Φ14@100
- B.Φ18@150
- C.Φ12@100
- D.Φ18@110
- A.ρ<SUB>d</SUB>=1.54t/m<SUP>3</SUP>
- B.ρ<SUB>sat</SUB>=1.94kN/m<SUP>3</SUP>
- C.n=41.1%
- D.γ=0.94kN/m<SUP>3</SUP>
- A.仰斜挡土墙
- B.垂直挡土墙
- C.俯斜挡土墙
- D.基底递坡仰斜挡土墙
- A.干密度ρ<SUB>d</SUB>
- B.质量密度ρ
- C.土粒的密度d<SUB>s</SUB>
- D.重力密度γ
- A.98kPa
- B.116.7kPa
- C.135.92kPa
- D.152.3kPa
- A.154.3kN/m<SUP>2</SUP>
- B.159.8kN/m<SUP>2</SUP>
- C.166.4kN/m<SUP>2</SUP>
- D.170.2kN/m<SUP>2</SUP>
- A.-176.9kN·m
- B.-180.84kN·m
- C.-186.42kN·m
- D.-192.6kN·m
- A.110.6kN
- B.122.4kN
- C.135.6kN
- D.139.8kN
- A.-216.5kN
- B.-225.8kN
- C.-201.5kN
- D.-190.3kN
- A.253.76kN
- B.260.94kN
- C.265.49kN
- D.270.89kN
- A.60.91kN·m
- B.72.67kN·m
- C.83.42kN·m
- D.87.95kN·m
- A.200kN
- B.210kN
- C.231kN
- D.242kN
- A.540mm
- B.580mm
- C.630mm
- D.670mm
- A.105.5 kN/m<SUP>2</SUP>
- B.110.9 kN/m<SUP>2</SUP>
- C.115.6 kN/m<SUP>2</SUP>
- D.121.4 kN/m<SUP>2</SUP>
- A.105.9kN
- B.110.6kN
- C.121.8kN
- D.130.3kN
- A.204.0kN
- B.143.6kN
- C.154.2kN
- D.227.3kN
- A.(1),(2),(3),(4),(5)
- B.(1),(2),(3),(4)
- C.(1),(2),(3),(5)
- D.(1),(3),(4),(5)
- A.下弦净截面的中心线上
- B.下弦毛截面的中心线上
- C.距下弦截面上边缘1/3截面高度处
- D.距下弦下边缘1/3截面高度处
- A.139.8 kN
- B.179.5 kN
- C.145.6 kN
- D.150.5 kN
- 42
-
下列( )项不正确。
- A.在轴心受压砌体中,当砂浆强度等级较低时,由于砂浆层横向变形,使砌体中的块体产生附加水平拉应力
- B.在轴心受压砌体中的块体,不产生弯曲应力和剪应力
- C.增大砌体中块体的厚度,块体的强度等级不变,砌体的抗压强度可以提高
- D.承受永久荷载的受压砌体,当荷载达到短期破坏荷载的80%~90%时,即使荷载不再增加,裂缝也将随时间而不断发展,直到砌体破坏
- A.a<SUB>M</SUB>=0.450,η<SUB>n</SUB>=1.250
- B.a<SUB>M</SUB>=0.432,η<SUB>n</SUB>=1.430
- C.a<SUB>M</SUB>=0.406,η<SUB>n</SUB>=1.430
- D.a<SUB>M</SUB>=0.485,η<SUB>n</SUB>=1.336
- A.354.27kN·m,239.7kN
- B.372.35kN·m,318.92kN
- C.365kN·m,245.6kN
- D.347.7kN·m,238.6kN
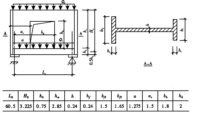
- A.b<SUB>h</SUB><1.550m,h<SUB>h</SUB><2.375m
- B.b<SUB>h</SUB><1.815m,h<SUB>h</SUB><2.45m
- C.b<SUB>h</SUB><1.750m,h<SUB>h</SUB><2.450m
- D.b<SUB>h</SUB><1.750m,h<SUB>h</SUB><2.375m
- A.1177kN
- B.1323kN
- C.1137kN
- D.1059kN
- A.232kN<939kN
- B.232kN<1018kN
- C.232kN<916kN
- D.232kN<845kN
- A.90.85kN
- B.99.82kN
- C.94.11kN
- D.85.14kN
- A.<IMG src="//img1.yqda.net/question-name/e1/cf707572233601ad02e868aeb14bd8.jpg">
- B.<IMG src="//img1.yqda.net/question-name/59/71f188fe0a8794aca07a35123cc33d.jpg">
- C.<IMG src="//img1.yqda.net/question-name/2a/32bee06b93d01601df6e501b803386.jpg">
- D.<IMG src="//img1.yqda.net/question-name/a5/d0f311acd660c061d3e3301774ac06.jpg">
- A.<IMG src="//img1.yqda.net/question-name/fc/c12f5454cc7ce4995a23de1098ddf0.jpg">
- B.<IMG src="//img1.yqda.net/question-name/52/8819cb9bba88ecb9d02203c3f853ec.jpg">
- C.<IMG src="//img1.yqda.net/question-name/60/4520b6d3e6c39620e7fcf7e6e27557.jpg">
- D.<IMG src="//img1.yqda.net/question-name/64/244a319ee0295dc5892a4977b466a2.jpg">
- A.<IMG src="//img1.yqda.net/question-name/79/a7887d7478a82931ce267cb4d16420.jpg">
- B.<IMG src="//img1.yqda.net/question-name/37/1afefe19719af1ff05a98cf28ad0d1.jpg">
- C.<IMG src="//img1.yqda.net/question-name/f8/02d8c85cd801bcc04cf384645e7752.jpg">
- D.<IMG src="//img1.yqda.net/question-name/49/dd6a98b26df3b68c62790751cd4327.jpg">
- A.<IMG src="//img1.yqda.net/question-name/f7/cc48603304846a6e5b42861a5a4c53.jpg">
- B.<IMG src="//img1.yqda.net/question-name/02/f21a5fee72c5cfd6588565dc561d30.jpg">
- C.<IMG src="//img1.yqda.net/question-name/5f/120fc649e6f3cd363770df49d3bab3.jpg">
- D.<IMG src="//img1.yqda.net/question-name/91/9064bd4951c901e9edf20875837841.jpg">
- A.170
- B.220
- C.240
- D.310
- A.<IMG src="//img1.yqda.net/question-name/f7/140f7ddedee4ffae60a4a8f54bf921.jpg">
- B.<IMG src="//img1.yqda.net/question-name/2a/cdc412c32bc9e8f8c9c4ed20048f70.jpg">
- C.<IMG src="//img1.yqda.net/question-name/da/ae6271b4e43ee6aaba2aa2912efc88.jpg">
- D.<IMG src="//img1.yqda.net/question-name/cf/0d2a8391270355c07c20d03aa097a1.jpg">
- A.两台相邻较大吊车标准值
- B.两台相邻较大吊车设计值
- C.两台相邻较大吊车设计值并乘以动力系数
- D.一台最大吊车标准值
- A.10mm
- B.14mm
- C.16mm
- D.20mm
- A.189.6N/mm<SUP>2</SUP>
- B.195.ON/mm<SUP>2</SUP>
- C.198.4N/mm<SUP>2</SUP>
- D.203.4N/mm<SUP>2</SUP>
- A.178.9N/mm<SUP>2</SUP>
- B.182.7N/mm<SUP>2</SUP>
- C.191.7N/mm<SUP>2</SUP>
- D.195.6N/mm<SUP>2</SUP>
- 59
-
下列( )项是错误的。
- A.在采用摩擦型高强螺栓的受剪连接中,其接触面必须进行处理,安装时必须对每个高强度螺栓施加预拉力
- B.在采用承压型高强度螺栓的受剪连接中,由于是利用螺栓本身的抗剪和承压强度,因此其接触面不必进行处理,安装时也不必对每个高强度螺栓施加预拉力
- C.在用承压型高强度螺栓的连接中,当剪切面位于螺纹处时,其受剪承载力设计值应按螺纹处的有效面积进行计算
- D.在用普通螺栓的连接中,当剪切面位于螺纹处时,其受剪承载力设计值应按螺杆的毛面积进行计算
- A.108 600N
- B.126 745N
- C.135 746N
- D.154 329N
- A.54 841N
- B.58 996N
- C.59 943N
- D.106 814N
- A.254kN·m
- B.260kN·m
- C.266kN·m
- D.272kN·m
- A.54 841N
- B.52 349N
- C.53 407N
- D.54 167N
- A.160 000N
- B.167 597N
- C.173 249N
- D.174 359N
- A.箍筋外表面至梁表面的距离
- B.主筋外表面至梁表面的距离
- C.主筋截面形心至梁表面的距离
- D.主筋内表面至梁表面的距离
- A.946.5kN
- B.965.3kN
- C.980.0kN
- D.1004.3kN
- A.269.5kN
- B.230kN
- C.209.5kN
- D.285.6kN
- A.1.23mm
- B.1.00mm
- C.1.15mm
- D.1.26mm
- A.两端嵌固
- B.两端嵌固,一端不动铰支
- C.两端不动铰支
- D.一端嵌固,一端自由
- A.0.23%
- B.0.25%
- C.0.30%
- D.0.20%
- A.1552mm<SUP>2</SUP>
- B.1156mm<SUP>2</SUP>
- C.1276mm<SUP>2</SUP>
- D.1701mm<SUP>2</SUP>
- A.403kN
- B.503kN
- C.456kN
- D.492kN
- A.1040mm<SUP>2</SUP>
- B.1142mm<SUP>2</SUP>
- C.1324mm<SUP>2</SUP>
- D.1274mm<SUP>2</SUP>
- A.3Φ12
- B.2Φ12
- C.3Φ16
- D.3Φ14
- A.0.005mm
- B.0.02mm
- C.0.023mm
- D.0.015mm
- A.8483kN
- B.10 323kN
- C.9483kN
- D.9967kN
- A.18.901kN·m
- B.17.564kN·m
- C.16.684kN·m
- D.19.013kN·m
- A.12.9N/mm<SUP>2</SUP>
- B.14.5N/mm<SUP>2</SUP>
- C.16.5N/mm<SUP>2</SUP>
- D.10.9N/mm<SUP>2</SUP>
- A.1246kN
- B.1322kN
- C.1572kN
- D.1387kN
- A.67.7N/mm<SUP>2</SUP>
- B.84.5N/mm<SUP>2</SUP>
- C.214.6N/mm<SUP>2</SUP>
- D.54.2N/mm<SUP>2</SUP>
我

。试问,抗震设计时柱AE端部截面的剪力设计值(kN)应与下列( )项数值最为接近。










,下列( )项数据正确。









