- A.A<SUB>2</SUB>与B<SUB>2</SUB>的反力最大
- B.A<SUB>2</SUB>与B<SUB>2</SUB>的反力最小
- C.A<SUB>1</SUB>与B<SUB>3</SUB>的反力最大
- D.A<SUB>3</SUB>与B<SUB>1</SUB>的反力最大
- A.0.24m
- B.0.21m
- C.0.20m
- D.0.18m
- A.209.73kN·m
- B.419.46kN·m
- C.224.30kN·m
- D.439.46kN·m
- A.585.5kN
- B.595.5kN
- C.600.5kN
- D.603.1kN
- A.3404.0kN·m
- B.3426.0kN·m
- C.3433.0kN·m
- D.3436.5kN·m
- A.1932.0kN·m
- B.966.0kN·m
- C.563.37kN·m
- D.1006.73kN·m
- A.0.9275q人
- B.0.9375q人
- C.0.9475q人
- D.0.9575q人
- A.0.500P
- B.0.510P
- C.0.520P
- D.0.530P
- A.1.78;1.46;1.07
- B.1.63;1.34;0.98
- C.1.58;1.25;0.87
- D.1.48;1.22;0.83
- A.<IMG src="//img1.yqda.net/question-name/0b/2b268a0fbcce36a7a67e1dbdca74ea.jpg">
- B.<IMG src="//img1.yqda.net/question-name/e3/5251b0547911e279aa1e2d890bee6e.jpg">
- C.M=M<SUB>1</SUB>+M<SUB>2</SUB>+M<SUB>3</SUB>
- D.M=M<SUB>1</SUB>-M<SUB>2</SUB>+M<SUB>3</SUB>
- A.小震不坏,大震不倒
- B.强柱弱梁,强剪弱弯,强节点,强锚固
- C.进行弹性地震反应时程分析,发现承载力不足时,修改截面配筋
- D.进行弹塑性地震反应时程分析,发现薄弱层、薄弱构件时,修改设计
- A.对规则的框架—剪力墙结构,可采用简化方法,不一定要按协同工作条件进行内力、位移分析
- B.宜考虑两种类型结构的不同受力特点,按协同工作条件用简化方法进行内力、位移分析
- C.应考虑两种类型结构的不同受力特点,按协同工作条件进行内力、位移分析,不宜将楼层剪力简单地按某一比例在框架与剪力墙之间分配
- D.平面布置、立面体型规则的框架-剪力墙结构,考虑两种类型结构的不同受力特点,采用简化的协同工作条件进行内力、位移分析
- A.柱距不变,加大梁截面可减小剪力滞后
- B.结构上部,剪力滞后减小
- C.角柱愈大,剪力滞后愈小
- D.结构为正方形时,边长愈大,剪力滞后愈小
- A.V<SUB>f</SUB><0.2V<SUB>0</SUB>的楼层,设计时V<SUB>f</SUB>取1.5V<SUB>f,max</SUB>和0.2V<SUB>0</SUB>的较小值
- B.V<SUB>f</SUB><0.2V<SUB>0</SUB>的楼层,设计时V<SUB>f</SUB>取1.5V<SUB>f,max</SUB>和0.2V<SUB>0</SUB>的较大值
- C.V<SUB>f</SUB><0.2V<SUB>0</SUB>的楼层,设计时V<SUB>f</SUB>取V<SUB>f,max</SUB>和0.2V<SUB>0</SUB>的较小值
- D.V<SUB>f</SUB><0.2V<SUB>0</SUB>的楼层,设计时V<SUB>f</SUB>取V<SUB>f,max</SUB>和0.2V<SUB>0</SUB>的较大值
- A.1644.78;966.17
- B.2060.44;1511.71
- C.1420.97;672.41
- D.1252.23;672.41
- A.0.08
- B.0.016
- C.0.021
- D.0.032
- A.0.08
- B.0.016
- C.0.0141
- D.0.021
- A.297.79kN
- B.-315.61kN
- C.-465.28kN
- D.233.34kN
- A.-0.3125
- B.-0.2908
- C.0.4282
- D.0.1242
- A.1.712
- B.1.493
- C.1.336
- D.1.271
- A.0.023
- B.0.08
- C.0.054
- D.0.014
- A.1.538
- B.1.412
- C.1.337
- D.1.556
- A.1.402
- B.1.342
- C.1.378
- D.1.352
- A.短期效应组合
- B.短期效应组合且计入风荷载和地震荷载
- C.长期效应组合且计入风荷载和地震荷载
- D.长期效应组合,不计入风荷载和地震荷载
- A.497
- B.485
- C.490
- D.500
- A.沉积环境
- B.矿物成分
- C.粒度组成
- D.天然含水量
- A.34.6kN/m<SUP>2</SUP>
- B.43.6kN/m<SUP>2</SUP>
- C.49.9kN/m<SUP>2</SUP>
- D.52.4kN/m<SUP>2</SUP>
- A.112.5kN/m<SUP>2</SUP>
- B.120.6kN/m<SUP>2</SUP>
- C.133.4kN/m<SUP>2</SUP>
- D.141.3kN/m<SUP>2</SUP>
- A.149kPa
- B.158kPa
- C.168kPa
- D.174kPa
- A.47.9N/m<SUP>2</SUP>
- B.53.6N/m<SUP>2</SUP>
- C.56.6N/m<SUP>2</SUP>
- D.64.1N/m<SUP>2</SUP>
- A.1.24m
- B.1.29m
- C.1.35m
- D.1.49m
- A.447N/mm<SUP>2</SUP>
- B.456N/mm<SUP>2</SUP>
- C.467N/mm<SUP>2</SUP>
- D.473N/mm<SUP>2</SUP>
- A.41.9N/mm<SUP>2</SUP>
- B.44.76N/mm<SUP>2</SUP>
- C.46.96N/mm<SUP>2</SUP>
- D.52.33N/mm<SUP>2</SUP>
- A.0.972
- B.0.963
- C.0.958
- D.0.949
- A.0.0245
- B.0.0347
- C.0.0412
- D.0.0513
- A.0.976
- B.0.989
- C.0.992
- D.0.997
- A.0.0142
- B.0.0179
- C.0.0191
- D.0.0213
- A.12m
- B.15m
- C.18m
- D.21m
- A.<IMG src="//img1.yqda.net/question-name/0e/80e89e27bcba2660c0c4c2fb054879.jpg">
- B.<IMG src="//img1.yqda.net/question-name/06/0079433b8e1a0e775a16e6d0b2375d.jpg">
- C.<IMG src="//img1.yqda.net/question-name/4d/79de107a758d6c68ec9d4f53dfb16f.jpg">
- D.<IMG src="//img1.yqda.net/question-name/4f/933c89645f2792982d26e0b76e7725.jpg">
- A.梁下砌体所受的局部压力,即梁下砌体的支承反力N,可近似按倾覆荷载的2倍取用
- B.刚性挑粱的倾覆点在墙边,弹性挑梁的倾覆点在墙内
- C.挑梁的抗倾覆荷载,为挑粱埋入长度及尾端45°扩散角以上砌体自重与楼面恒载标准值之和
- D.在挑梁上的砌体开裂前,按弹性地基梁理论分析得到的弹性挑粱埋入部分的计算变形曲线与实测变形曲线比较,二者接近
- A.一定要进行跨中或洞口边缘处托粱正截面承载力计算
- B.一定要对自承重墙梁进行墙体受剪承载力、托粱支座上部砌体局部受压承载力计算
- C.一定要进行托粱斜截面受剪承载力计算
- D.酌情进行托粱支座上部正截面承载力计算
- A.41.4kN<136.08kN
- B.73.8kN<136.08kN
- C.82.8kN<108.86kN
- D.82.8kN<136.08kN
- A.l<SUB>1</SUB>>2.76m
- B.l<SUB>1</SUB>>2.27m
- C.l<SUB>1</SUB>≥2.76m
- D.l<SUB>1</SUB>≥2.27m
- A.299kN/m
- B.265kN/m
- C.251kN/m
- D.283kN/m
- 45
-
下列论述正确的是( )。
- A.砌体结构房屋层数少、高度较低,故其布置与其抗震性能关系不大
- B.底层框架房屋框架柱的刚度较上层墙体的刚度柔很多,能像弹簧一样产生较大的变形,可大大降低地震力的输入,因此这是一种较理想的体系
- C.砌体结构房屋高宽比限值,主要是防止结构可能产生的整体弯曲破坏
- D.抗震横墙的最大间距限制主要是控制横墙的最大变形
- A.914kN
- B.983kN
- C.983kN/m
- D.914kN/m
- A.281.24kN
- B.304.36kN
- C.239.05kN
- D.210.93kN
- A.520.65kN
- B.473.72kN
- C.354.99kN
- D.236.66kN
- A.20;24
- B.14;27.07
- C.20;22.56
- D.14;22.56
- A.132.7kN
- B.166.9kN
- C.159.3kN
- D.181.1kN
- 51
-
下图为某办公楼底层局部承重横墙的示意图,墙体厚240mm,采用MU10黏土砖、M5混合砂浆砌筑。

假设该横墙有窗洞900mm×900mm。试问有洞口墙允许高厚比的修正系数μ2,应为下列( )项数值。
- A.0.84
- B.1
- C.1.2
- D.0.9
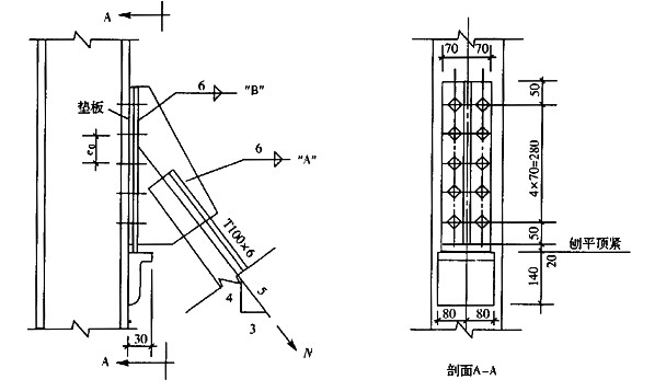
- A.简支实腹吊车梁的下翼缘板
- B.简支桁架式吊车梁端压杆
- C.简支桁架式吊车梁端拉杆
- D.简支桁架式吊车梁下弦杆
- A.在垂直荷载作用下,深仓的仓壁按深梁计算,浅仓的仓壁按普通梁计算
- B.计算深仓贮料压力时,必须考虑贮料与仓壁间的摩擦力,浅仓则不考虑
- C.深仓贮料压力按朗金土压力公式计算,浅仓贮料压力按修正的杨森公式计算
- D.仓壁的加劲肋布置原则不同
- A.应力幅
- B.应力比
- C.应力循环次数
- D.各种钢号
- A.0.7
- B.0.75
- C.0.8
- D.0.9
- A.两端纯弯矩作用
- B.满跨均布荷载作用
- C.跨中集中荷载作用
- D.满跨均布荷载与跨中集中荷载共同作用
- A.弯曲应力大的区段
- B.剪应力大的区段
- C.上翼缘或下翼缘有固定作用力的部位
- D.有吊车轮压的部位
- A.仅底侧角焊缝即可承受竖向力
- B.仅两侧角焊缝即可承受竖向力
- C.必须两侧及底部三面围焊才能承受竖向力
- D.必须加大承托角钢
- A.够
- B.不够
- C.略嫌不够,可不必增加螺栓数
- D.富余太多,可以减少螺栓数目
- A.129
- B.229
- C.285
- D.300
- A.86
- B.105.8
- C.109.3
- D.152.1
- A.4
- B.6
- C.8
- D.10
- A.160
- B.170
- C.280
- D.290
- A.150mm
- B.160mm
- C.220mm
- D.310mm
- A.2
- B.2.5
- C.3
- D.4
- A.2513kN
- B.2628kN
- C.2613kN
- D.2698kN
- A.远离轴向力一侧的钢筋先受拉屈服,随后另一侧钢筋压屈,混凝土压碎
- B.远离轴向力一侧的钢筋应力不定,而另一侧钢筋压屈,混凝土压碎
- C.靠近轴向力一侧的钢筋和混凝土应力不定,而另一侧钢筋受压屈服,混凝土压碎
- D.靠近轴向力一侧的钢筋和混凝土先屈服和压碎,而远离纵向力一侧的钢筋随后受拉屈服
- A.0.023
- B.0.034
- C.0.047
- D.0.042
- A.745kN
- B.698kN
- C.845kN
- D.656kN
- A.256.5kN
- B.338.8kN
- C.423kN
- D.321.5kN
- A.a=480mm,b=400mm
- B.a=420mm,b=350mm
- C.a=330mm,b=350mm
- D.a=330mm,b=272mm
- A.1.02
- B.1.09
- C.1.15
- D.1.11
- A.615mm<SUP>2</SUP>
- B.963mm<SUP>2</SUP>
- C.734mm<SUP>2</SUP>
- D.895mm<SUP>2</SUP>
- A.41mm<SUP>2</SUP>
- B.35mm<SUP>2</SUP>
- C.26mm<SUP>2</SUP>
- D.30mm<SUP>2</SUP>
- A.0.19%
- B.0.30%
- C.0.21%
- D.0.25%
- A.605mm<SUP>2</SUP>
- B.953mm<SUP>2</SUP>
- C.724mm<SUP>2</SUP>
- D.890mm<SUP>2</SUP>
- A.305mm<SUP>2</SUP>
- B.453mm<SUP>2</SUP>
- C.360mm<SUP>2</SUP>
- D.410mm<SUP>2</SUP>
- A.1610mm<SUP>2</SUP>
- B.1256mm<SUP>2</SUP>
- C.1572mm<SUP>2</SUP>
- D.1752mm<SUP>2</SUP>
- A.60.5mm<SUP>2</SUP>
- B.147mm<SUP>2</SUP>
- C.102mm<SUP>2</SUP>
- D.89mm<SUP>2</SUP>
我




















