- 1
-
某高速公路简支桥梁的一跨桥梁,其标准跨径为lk=20.0m,计算跨径li=19.5m,主梁全长L=19.96m。若计算弯矩效应时,试确定该桥梁的车道荷载的均布荷载标准值和集中荷载标准值为______。
- A.q<SUB>k</SUB>=10.5kN/m,P<SUB>k</SUB>=180.0kN
- B.q<SUB>k</SUB>=10.5kN/m,P<SUB>k</SUB>=238.0kN
- C.q<SUB>k</SUB>=10.5kN/m,P<SUB>k</SUB>=240.0kN
- D.q<SUB>k</SUB>=10.5kN/m,P<SUB>k</SUB>=285.6kN
- A.摩擦钻孔桩
- B.柱桩
- C.两者均需清孔
- D.两者均不需清孔
- A.<IMG src="//img1.yqda.net/question-name/d8/d782c8c711c9582b6baeda9af736c5.jpg">
- B.σ<SUB>s</SUB>=f<SUB>sd</SUB>
- C.σ<SUB>s</SUB>=f'<SUB>d</SUB>
- D.σ<SUB>s</SUB>=f<SUB>sk</SUB>
- A.3.5m
- B.4.0m
- C.4.5m
- D.5.0m
- A.0.58L<SUB>a</SUB>
- B.0.54L<SUB>a</SUB>
- C.0.48L<SUB>a</SUB>
- D.0.36L<SUB>a</SUB>注:L<SUB>a</SUB>为拱轴线长度。
- A.<IMG src="//img1.yqda.net/question-name/3c/b0ded59fe550421eee45b7df263e50.jpg">
- B.<IMG src="//img1.yqda.net/question-name/e1/3ce2c7bd499b473e8b2c9ba43bf32c.jpg">
- C.<IMG src="//img1.yqda.net/question-name/17/7662aef757d1ad877185a6f506942c.jpg">
- D.<IMG src="//img1.yqda.net/question-name/b3/78ea51882a88d43a3248a7d9d8922b.jpg">
- A.可按本地区的设防烈度提高1度计算地震作用
- B.可按本地区的设防烈度计算地震作用,按提高1度采取抗震措施
- C.按本地区的设防烈度提高1度计算地震作用和采取抗震措施
- D.不必采取提高设防烈度的抗震措施
- A.-80.61kN·m
- B.-87.61kN·m
- C.-98.61kN·m
- D.-105.61kN·m
- A.-75.25kN·m,52.04kN·m
- B.-90.05kN·m,64.32kN·m
- C.-88.27kN·m,65.06kN·m
- D.-91.27kN·m,68.06kN·m
- A.各抗震设防的高层建筑结构均应计算地震作用
- B.6度设防时,Ⅰ~Ⅲ类场地上的建筑不必计算,Ⅳ类场地上的较高建筑及7度至9度设防的建筑应按本地区设防烈度计算
- C.6度不必计算,7度至9度设防的建筑应按本地区设防烈度计算
- D.6度设防时Ⅰ,Ⅱ类场地上的建筑不必计算,Ⅲ类和Ⅳ类场地上建筑及7度至9度设防的建筑应按本地区设防烈度计算
- A.地下室结构的楼层侧向刚度不应小于相邻上部结构楼层侧向刚度的2倍
- B.地下室结构的楼层侧向刚度不应小于相邻上部结构楼层侧向刚度的1.5倍
- C.地下室结构的楼层侧向刚度不宜小于相邻上部结构楼层侧向刚度的2倍
- D.地下室结构的楼层侧向刚度不宜小于相邻上部结构楼层侧向刚度的3倍
- A.0.56
- B.0.76
- C.0.71
- D.0.89
- A.120
- B.140
- C.160
- D.200
- A.Ⅰ、Ⅱ、Ⅲ
- B.Ⅰ、Ⅱ、Ⅳ
- C.Ⅱ、Ⅲ
- D.Ⅱ、Ⅲ、Ⅳ
- A.468.25
- B.620.82
- C.506.54
- D.389.74
- A.φ6
- B.φ8
- C.φ10
- D.φ12
- A.283.34,276.78
- B.262.75,450.52
- C.273.34,420.52
- D.109.45,383.52
- A.198.64,78.43
- B.60.12,187.45
- C.48.74,94.82
- D.13.37,231.53
- A.182.42 175.91
- B.276.78 266.90
- C.294.30 172.85
- D.288.52 236.17
- A.65.15,75.07
- B.65.15,98.85
- C.93.43,98.85
- D.75.00,93.43
- A.20000×2%=400(kN)
- B.20000×20%/8=500(kN)
- C.400kN再加上竖向荷载下的该柱剪力
- D.由竖向与地震作用组合计算所得剪力设计值乘以1.25调整系数
- A.M<SUB>k</SUB>=18000kN·m,V<SUB>k</SUB>=325kN
- B.M<SUB>k</SUB>=17350kN·m,V<SUB>k</SUB>=320kN
- C.M<SUB>k</SUB>=16870kN·m,V<SUB>k</SUB>=285kN
- D.M<SUB>k</SUB>=18250kN·m,V<SUB>k</SUB>=340kN
- A.μ<SUB>N</SUB>=0.806<0.95,满足三级要求
- B.μ<SUB>N</SUB>=0.806<0.85,满足二级要求
- C.μ<SUB>N</SUB>=0.83<0.9,满足三级要求
- D.μ<SUB>N</SUB>=0.76<0.8,满足二级要求
- A.K<SUB>u</SUB><5
- B.5<K<SUB>u</SUB><8
- C.8<K<SUB>u</SUB><10
- D.K<SUB>u</SUB>>10
- A.<IMG src="//img1.yqda.net/question-name/b4/fb9c1c1ec94eecfc18c47fbe343278.jpg">
- B.<IMG src="//img1.yqda.net/question-name/b2/60fd09066457925c702247c46153c9.jpg">
- C.<IMG src="//img1.yqda.net/question-name/4d/7c97aeecb272ba1c14e54c9a210102.jpg">
- D.临塑压力
- A.短期效应组合
- B.短期效应组合且计入风荷载和地震荷载
- C.长期效应组合且计入风荷载和地震荷载
- D.长期效应组合,不计入风荷载和地震荷载
- A.149.56kPa
- B.157.96kPa
- C.172.34kPa
- D.184.1kPa
- A.249.52kPa
- B.267.47kPa
- C.273.82kPa
- D.284.31kPa
- A.455.57kN
- B.465.64kN
- C.473.59kN
- D.480.161kN
- A.38.59kPa
- B.43.84kPa
- C.48.94kPa
- D.51.43kPa
- A.327.69kN
- B.339.12kN
- C.346.78kN
- D.350.51kN
- A.8.67mm
- B.12mm
- C.5mm
- D.14mm
- A.435.9kN
- B.450.9kN
- C.467.23kN
- D.475.94kN
- A.65.18kN/m<SUP>2</SUP>
- B.16.29kN/m<SUP>2</SUP>
- C.29.53kN/m<SUP>2</SUP>
- D.118.12kN/m<SUP>2</SUP>
- A.0.71kN/m<SUP>2</SUP>
- B.1.41kN/m<SUP>2</SUP>
- C.11.2kN/m<SUP>2</SUP>
- D.6.52kN/m<SUP>2</SUP>
- A.0.418
- B.0.198
- C.0.36
- D.0.64
- A.153kPa
- B.193kPa
- C.149kPa
- D.189kPa
- A.6.86
- B.5.23
- C.6.94
- D.7.4
- 39
-
桁架在恒载作用下,使用年限50年,用云南松制作的桁架受拉构件,截面尺寸200mm×200mm,构件中部有两个d=20mm的螺栓孔,间距100mm。该受拉构件能承受的轴向拉力设计值应为______。
- A.299.20kN
- B.269.28kN
- C.239.36kN
- D.217.60kN
- A.558.5kN
- B.615.6kN
- C.674.3kN
- D.655.8kN
- A.521.9mm,
- B.576.8mm
- C.488.6mm
- D.598.5mm
- A.0.22,12.0
- B.0.20,12.0
- C.0.25,12.0
- D.0.20,12.5
- A.305mm<SUP>2</SUP>,546mm<SUP>2</SUP>
- B.333mm<SUP>2</SUP>,567mm<SUP>2</SUP>
- C.362mm<SUP>2</SUP>,584mm<SUP>2</SUP>
- D.403mm<SUP>2</SUP>,593mm<SUP>2</SUP>
- A.593mm<SUP>2</SUP>
- B.642mm<SUP>2</SUP>
- C.663mm<SUP>2</SUP>
- D.682mm<SUP>2</SUP>
- A.φ6@250
- B.φ6@200
- C.φ6@150
- D.φ7@200
- A.68.03kN·m,145.87kN
- B.35.98kN·m,145.87kN
- C.68.03kN·m,49.65kN
- D.35.98kN·m,49.65kN
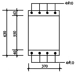
- 47
-
某砂浆面层的组合砖柱,计算高度6m,截面尺寸及配筋如图所示,砖柱采用砖MU10、混合砂浆M10砌筑,面层砂浆为M10,施工质量控制等级为B级。该柱的受压承载力设计值与下列______项数值相接近?

- A.461.2kN
- B.458.3kN
- C.464.6kN
- D.473.4kN
- A.18.75<23.60
- B.18.75<24
- C.14.08<23.60
- D.14.08<24
- A.18.2kN<22.25kN
- B.18.2kN<23.04kN
- C.18.2kN<25.07kN
- D.18.2kN<24.57kN
- A.37.50>24
- B.37.50>34.56
- C.28.16>24
- D.28.16<34.56
- A.17.32<24
- B.17.32<19.2
- C.18.75<24
- D.18.75<19.2
- A.杆件的几何长度
- B.弦杆节点长度
- C.弦杆侧向支撑点间的距离
- D.檩条之间的距离
- A.198N/mm<SUP>2</SUP>
- B.203N/mm<SUP>2</SUP>
- C.209N/mm<SUP>2</SUP>
- D.212N/mm<SUP>2</SUP>
- A.576kN
- B.583kN
- C.589kN
- D.595kN
- A.y<SUB>1</SUB>,y'<SUB>2</SUB>
- B.y<SUB>2</SUB>,y'<SUB>1</SUB>
- C.y<SUB>3</SUB>,y'<SUB>4</SUB>
- D.y<SUB>4</SUB>,y'<SUB>3</SUB>
- A.175N/mm<SUP>2</SUP>
- B.181.2N/mm<SUP>2</SUP>
- C.188.7N/mm<SUP>2</SUP>
- D.198N/mm<SUP>2</SUP>
- A.392kN
- B.407kN
- C.415kN
- D.421kN
- A.170.7
- B.181.2
- C.192.8
- D.204.3
- A.0.76
- B.0.85
- C.0.94
- D.1
- A.2.94m
- B.3.05m
- C.3.50m
- D.2.45m
- A.213.5
- B.204.6
- C.190.4
- D.177.3
- A.m<SUP>2</SUP>4
- B.m<SUP>2</SUP>7
- C.m<SUP>2</SUP>0
- D.m<SUP>2</SUP>2
- A.61.7
- B.55.1
- C.48.5
- D.68.3
- A.m<SUP>2</SUP>7,A<SUB>e</SUB>=459.4mm<SUP>2</SUP>
- B.m<SUP>2</SUP>4,A<SUB>e</SUB>=352.5mm<SUP>2</SUP>
- C.m<SUP>2</SUP>2,A<SUB>e</SUB>=303.4mm<SUP>2</SUP>
- D.m<SUP>2</SUP>0,A<SUB>e</SUB>=244.8mm<SUP>2</SUP>
- A.174.3
- B.166.5
- C.183
- D.196.3
- A.随轴向力的增加而增加
- B.随轴向力的减小而增加
- C.小偏拉时随轴向力的增加而增加
- D.大偏拉时随轴向力的增加而增加
- A.对大偏心受压,当轴向压力N值不变时,弯矩M值越大,所需纵向钢筋越多
- B.对大偏心受压,当弯矩M值不变时,轴向压力N值越大,所需纵向钢筋越多
- C.对小偏心受压,当轴向压力N值不变时,弯矩M值越大,所需纵向钢筋越多
- D.对小偏心受压,当弯矩M值不变时,轴向压力N值越大,所需纵向钢筋越多
- A.1057
- B.1087
- C.1127
- D.1157
- A.2071
- B.2171
- C.2271
- D.2371
- A.4.13
- B.4.59
- C.5.78
- D.6.87
- A.182.2
- B.191.3
- C.202.5
- D.255.1
- A.28.2
- B.29.6
- C.31.3
- D.39.5
- A.1720.9
- B.1947.3
- C.2266.1
- D.2434.1
- A.0.7
- B.0.82
- C.1
- D.1.13
- A.1966.7
- B.2288.8
- C.2458.4
- D.2581.3
- A.536.69
- B.644.02
- C.650.83
- D.683.86
- A.2400
- B.2760
- C.2872
- D.3120
- A.8574.64
- B.8184.51
- C.7981.36
- D.7798.19
- A.4667.2
- B.5640.8
- C.6200.6
- D.7000.8
我




评定。______项为级配良好的土。















,A's=8836.2mm2,则柱的承载力Nu=______kN。


