- A.37 181.64
- B.5032
- C.3718.16
- D.4623.88
- A.37.9
- B.40.02
- C.35.91
- D.32.36
- A.0.438
- B.0.572
- C.0.621
- D.0.554
- A.0.365
- B.0.571
- C.0.569
- D.0.61
- A.0
- B.0.422
- C.-0.321
- D.0.224
- A.0.531
- B.0.453
- C.0.325
- D.0.231
- A.1.321
- B.1.233
- C.0.963
- D.1.422
- A.0.477
- B.0.486
- C.0.521
- D.0.326
- A.l<SUB>b</SUB>=400mm,l<SUB>c</SUB>=300mm
- B.l<SUB>b</SUB>=500mm,l<SUB>c</SUB>=200mm
- C.l<SUB>b</SUB>=500mm,l<SUB>c</SUB>=300mm
- D.l<SUB>b</SUB>=400mm,l<SUB>c</SUB>=200mm
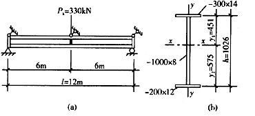
- 10
-
某高层剪力墙结构中的一单肢实体墙,高度H=30m,全高截面相等,混凝土强度等级C25,墙肢截面惯性矩IW=3.6m4,矩形截面面积AW=1.2m2,该墙肢计算出的等效刚度,下列( )项是正确的。
- A.E<SUB>C</SUB>l<SUB>ep</SUB>=972.97×10<SUP>5</SUP>kN·m<SUP>2</SUP>
- B.E<SUB>C</SUB>Iep=1008×10<SUP>5</SUP>kN·m<SUP>2</SUP>
- C.E<SUB>C</SUB>Iep=978.64×10<SUP>5</SUP>kN·m<SUP>2</SUP>
- D.E<SUB>C</SUB>Iep=440×10<SUP>5</SUP>kN·m<SUP>2</SUP>
- A.156m
- B.143m
- C.140m
- D.150m
- A.Ⅰ、Ⅱ、Ⅲ
- B.Ⅰ、Ⅱ、Ⅳ
- C.Ⅱ、Ⅲ
- D.Ⅱ、Ⅲ、Ⅳ
- A.计算结构自振特性时,取0.85E<SUB>c</SUB>I
- B.计算正常使用极限状态时,取0.65E<SUB>c</SUB>I
- C.考虑地震和风共同作用时,取0.95E<SUB>c</SUB>I
- D.考虑地震作用时,取1.0E<SUB>c</SUB>I
- A.δ=191.8mm
- B.δ=186mm
- C.δ=164.4mm
- D.δ=130.2mm
- A.C30
- B.C25
- C.C20
- D.C15
- A.341
- B.290
- C.142
- D.196
- A.6φ20
- B.6φ18
- C.4φ20
- D.6φ12
- A.917
- B.957
- C.839
- D.1024
- A.6321
- B.4282
- C.3301
- D.2237
- A.125
- B.160
- C.200
- D.220
- A.1.4
- B.1.54
- C.1.96
- D.2.16
- A.1
- B.1.58
- C.1.84
- D.2.44
- A.17.22kN·m
- B.21.04kN·m
- C.25.8kN·m
- D.29.81kN·m
- A.0.15
- B.0.9
- C.1.2
- D.1.45
- A.101.83kPa
- B.109.57kPa
- C.112.02kPa
- D.120.53kPa
- A.267.4kN/m<SUP>2</SUP>
- B.300.3kN/m<SUP>2</SUP>
- C.323.5kN/m<SUP>2</SUP>
- D.347.7kN/m<SUP>2</SUP>
- A.框架结构应由局部倾斜控制
- B.高耸结构应由倾斜值控制
- C.单层排架结构应由相邻柱基的沉降差控制
- D.高层建筑应由倾斜值控制
- A.墙后填土处于极限平衡状态
- B.土压力方向与墙背成δ角
- C.挡土墙无任何位穆
- D.填土滑裂面与水平面呈45°=Φ/2
- A.f<SUB>v</SUB>公式虽是在中心荷载下的条形基础导出的,但当偏心距e≤0.033b时,中心荷载下的承载力条件:p≤f将成为控制条件,说明偏心荷载所产生的基底压力不会过分不均匀,这时,公式计算结果不会产生较大误差
- B.公式f<SUB>v</SUB>是在条形基础受偏心荷载,当e≤0.033b条件下导出的
- C.公式f<SUB>v</SUB>是在矩形基础受偏心荷载,当偏心距e≤0.033b条件下导出的
- D.公式是在偏心荷载作用下,当e≤0.033b条件下导出的
- A.p<SUB>cz</SUB>=70.6kPa,f<SUB>az</SUB>=141.3kPa
- B.p<SUB>cz</SUB>=73.4kPa,f<SUB>az</SUB>=141.3kPa
- C.p<SUB>cz</SUB>=70.6kPa,f<SUB>az</SUB>=119.0kPa
- D.p<SUB>cz</SUB>=73.4kPa,f<SUB>az</SUB>=119.0kPa
- A.61.53kN·m/m
- B.72.36kN·m/m
- C.83.07kN·m/m
- D.97.69kN·m/m
- A.63.20kPa
- B.64.49kPa
- C.68.07kPa
- D.69.47kPa
- A.2.07m
- B.2.13m
- C.2.66m
- D.2.97m
- A.<IMG src="//img1.yqda.net/question-name/b1/6da86389fd958a0e2f3ea3b5217cca.jpg">
- B.<IMG src="//img1.yqda.net/question-name/49/23312fc687fa19b41d68b8cec10257.jpg">
- C.<IMG src="//img1.yqda.net/question-name/d7/77afddc2c65c7538175776a4beaff1.jpg">
- D.<IMG src="//img1.yqda.net/question-name/ac/c37700bbd489edd1a662a8e2de8394.jpg">
- A.172.4kPa
- B.169.8kPa
- C.168.9kPa
- D.158.5kPa
- A.60.7kN
- B.242.8kN
- C.121.4kN
- D.52.6kN
- A.纵横墙之间的空间作用使墙体的刚度增大,从而使温度应力增加,但增加的幅度不是太大
- B.温度应力完全取决于建筑物的墙体长度
- C.门窗洞口处对墙体的温度应力反映最大
- D.当楼板和墙体之间存在温差时,最大的应力集中在墙体的上部
- A.134.4kN
- B.128.2kN
- C.168kN
- D.179.2kN
- A.380.9kN
- B.441.5kN
- C.335.6kN
- D.296.6kN
- A.726kN
- B.747.5kN
- C.756kN
- D.689.5kN
- A.0.111
- B.0.703
- C.0.456
- D.0.213
- A.0.611
- B.0.703
- C.0.456
- D.0.513
- A.β=6.3
- B.β=10.50
- C.β=12.50
- D.β=20.83
- A.β=18.91
- B.β=16.81
- C.β=21.01
- D.β=23.11
- A.-10.83kN·m
- B.-6.03kN·m
- C.-7.74kN·m
- D.-15.93kN·m
- A.20.3kN
- B.19.4kN
- C.18.0kN
- D.17.2kN
- A.不能考虑空间性能影响系数
- B.η<SUB>2</SUB>=0.39
- C.η<SUB>2</SUB>=0.81
- D.η<SUB>2</SUB>=0.68
- A.0.89kN
- B.1.25kN
- C.1.84kN
- D.3.49kN
- A.当B=2000mm时,符合条件
- B.当B=2500mm时,符合条件
- C.当B=3000mm时,不符合条件
- D.当B=3000mm时,有可能符合条件
- A.单跨简支梁
- B.单跨固端梁
- C.多跨连续梁
- D.单层和双层框架结构
- A.可用角焊缝
- B.应予焊透,焊缝质量不低于三级
- C.应予焊透,焊缝质量不低于二级
- D.应予焊透,焊缝质量不低于一级
- A.5.34×10<SUP>5</SUP>N
- B.5.60×10<SUP>5</SUP>N
- C.5.92×10<SUP>5</SUP>N
- D.6.03×10<SUP>5</SUP>N
- A.4.7×10<SUP>7</SUP>N·mm
- B.4.88×10<SUP>7</SUP>N·mm
- C.5.4×10<SUP>7</SUP>N·mm
- D.6×10<SUP>7</SUP>N·mm
- A.4.07×10<SUP>4</SUP>N
- B.4.67×10<SUP>4</SUP>N
- C.4.96×10<SUP>4</SUP>N
- D.5.2×10<SUP>4</SUP>N
- A.1.256×10<SUP>5</SUP>N
- B.1.245×10<SUP>5</SUP>N
- C.1.227×10<SUP>5</SUP>N
- D.1.196×10<SUP>5</SUP>N
- A.67N/mm<SUP>2</SUP>
- B.89N/mm<SUP>2</SUP>
- C.106.9N/mm<SUP>2</SUP>
- D.134N/mm<SUP>2</SUP>
- A.23.6
- B.25.8
- C.34.9
- D.41.5
- A.5
- B.6
- C.7
- D.8
- A.192.6
- B.200.4
- C.214.5
- D.224.22
- A.21.5
- B.26
- C.32
- D.34.3
- A.311.6
- B.312.9
- C.313.4
- D.314.2
- A.5547cm<SUP>3</SUP>
- B.3586cm<SUP>3</SUP>
- C.5107cm<SUP>3</SUP>
- D.4006cm<SUP>3</SUP>
- A.1366
- B.1569
- C.1764
- D.1942
- A.型钢混凝土组合结构与普通钢筋混凝土结构相比,它具有承载力大、刚度大、抗震性能好的优点
- B.型钢混凝土组合结构与普通钢结构相比,它具有整体稳定性好、局部稳定性好和防火性能好的特点
- C.型钢混凝土组合结构不仅可以用在工业厂房的排架柱,也可以用在吊车梁上
- D.抗震设防烈度9度、抗震等级为一级的9层框架柱,如采用型钢混凝土,则应要求从1层至9层都采用型钢混凝土组合柱
- A.取在地下2层的底板顶面(标高-9.000处),不考虑土体对结构侧向刚度的影响
- B.取在地下1层的底板顶面(标高-4.000处),不考虑土体对结构侧向刚度的影响
- C.取在地上1层的底板顶面(标高±0.000处)
- D.取在地下1层底板顶面(标高-4.000处),并考虑回填土体对结构侧向刚度的影响
- A.λ=0.359
- B.λ=0.625
- C.λ=0.714
- D.λ=0.508
- A.有一处违反规范规定
- B.有二处违反规范规定
- C.有三处违反规范规定
- D.符合规范要求,无问题
- A.均符合规范,无问题
- B.有一处违反强规,有三处不符合一般规定
- C.有三处不符合一般规定
- D.有一处违反强规,有二处不符合一般规定
- A.有二处违反规范要求
- B.完全满足规范要求
- C.有一处违反规范要求
- D.有三处违反规范要求
- A.529mm
- B.502mm
- C.566mm
- D.448mm
- A.485mm<SUP>2</SUP>
- B.602mm<SUP>2</SUP>
- C.566mm<SUP>2</SUP>
- D.453mm<SUP>2</SUP>
- A.240kN
- B.280kN
- C.212kN
- D.325kN
- A.485mm
- B.569mm
- C.634mm
- D.582mm
- A.1426mm<SUP>2</SUP>
- B.1516mm<SUP>2</SUP>
- C.1324mm<SUP>2</SUP>
- D.1629mm<SUP>2</SUP>
- A.1040mm<SUP>2</SUP>
- B.1142mm<SUP>2</SUP>
- C.1256mm<SUP>2</SUP>
- D.942mm<SUP>2</SUP>
- A.1.1
- B.1.26
- C.1.29
- D.1.03
我




























